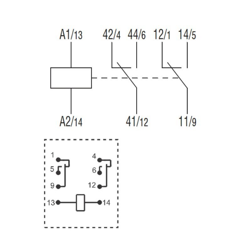
Zoccolo per rele' Lovato a 2 contatti serie HR60 HR6XS21
LOV HR6XS21
- Zoccolo per rele' Lovato serie HR60
- Numero di contatti : 2
- Terminali a vite
- Terminali contatti nel lato superiore
Gratis i primi 10KG di spedizione per ordini a partire da 500,00€
Pagamenti sicuri al 100%
Spedizioni rapide e veloci
Reso facile entro 14 giorni
Specifiche tecniche
Relè di scambio Weidmuller TRS 24VUC 2CO
Serie Termseries
Temperature d'esercizio minima/massima: -40/+60 gradi c
Tensione nominale: 24 V AC/DC
Corrente di eccitazione/diseccitazione bobina AC: 13mA/3mA
Corrente di eccitazione/diseccitazione bobina DC: 12mA/2mA
Corrente permanente: 8A
Classe di sovratensione: III
Circuito protezione: Raddrizzatore
LED verde di indicazione stato
Installazione: Guida TS35
Tipo collegamento cavi: A vite
Numero contatti: 2
Sezione cavi minima/massima: 0.14-2.5mm2
Grado di protezione: IP20
Colore: Nero
Dimensioni: 87.8x89.6x12.8mm
Maggiori specifiche in Scheda Tecnica
Rele' di monitoraggio
Lavora tra una tensione di 208 a 480 V
Dotato di led di stato per una rapida lettura
Dotato di rilevamento della tensione rigenerata
Possibilità di montaggio su guida DIN
Principali funzioni :
Principali funzioni :
Mini relè industriale terminali a innesto bobina 12V AC 2 contatti 8A Finder 46528012
Timer range : da 0.1s a 100h
Dotato di 2 funzioni selezionabili
Selezione della fascia oraria tramite manopole frontali
Regolazione del tempo tramite manopola
Dotato di avvio automatico
Possibilità di montaggio su barra din 17.5 mm
Dotato di indicatore LED per stato relè ed alimentazione