Collettori per impianti Idraulici

I collettori vengono prodotti utilizzando un corpo stampato, caratteristica che conferisce loro un’estrema solidità oltre che una ridotta rugosità, ottenuta con lavorazioni per asportazione di truciolo, su tutte le superfici interne.

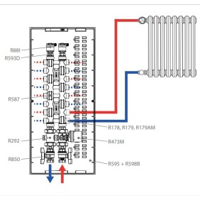
Osservando uno spaccato del collettore R585C, si nota che le sezioni di raccordo sono state progettate in modo da ottenere il più ampio passaggio possibile. L’affidabilità nella chiusura dell’otturatore, inoltre, è garantita dalla presenza di una guarnizione in EPDM per la tenuta frontale. Il rubinetto d’intercettazione è realizzato in due pezzi e quindi l’ingombro del collettore è indipendente dalla posizione dell’otturatore; questa caratteristica evita che nella condizione di funzionamento ordinario (ossia con i rubinetti di intercettazione completamente o parzialmente aperti) i volantini di manovra ostacolino la corretta chiusura del portello della cassetta di contenimento. Sui collettori componibili R585C e R580C non viene effettuato alcun trattamento di finitura superficiale, con lo scopo di minimizzare la quantità di impurezze all’interno della lega ed ottemperare così alle prescrizioni della Direttiva Europea CE 98/83, recepita in Italia con il Decreto 6 aprile 2004, n. 174 - Ministero della Salute - “Regolamento concernente i materiali e gli oggetti che possono essere utilizzati negli impianti fissi di captazione, trattamento, adduzione e distribuzione delle acque destinate al consumo umano”, pubblicato sulla G.U. n. 166 del 17 luglio 2004 ed entrato in vigore il 17 luglio 2007.

I volantini di manovra, collegati al rubinetto d’intercettazione con una vite,sono dotati di due targhette: una targhetta indica l’utenza corrispondente; l’altra targhetta si sovrappone alla precedente ed è colorata da una parte di blu e dall’altra di rosso, per visualizzare immediatamente se in quel collettore circola acqua calda o acqua fredda sanitaria.

Leggi tutto
Collettori per impianti Idraulici | Emmebistore.com

Collettori per impianti Idraulici

Filtri attivi

Collettore componibile da 3/4" due stacchi uscita base 16 Giacomini R580CY022

GIM R580CY022

  • Collettore componibile semplice
  • Materiale : Ottone
  • Numero di Stacchi : 2
  • Attacchi per adattatori tubo rame, plastica o multistrato da 16
  • Filettatura Ingresso 3/4" Maschio
  • Filettatura Uscita : 3/4" Femmina
  • Interasse Stacchi : 35mm
  • Campo di temperatura 5÷110 °C .
  • Pressione massima di esercizio 10 bar

Scarica la scheda tecnica 

Scarica il foglio di istruzioni

69 pz. disponibili
6,41 €
Un'occhiata

Collettore componibile da 3/4" tre stacchi uscita base 16 Giacomini R580CY023

GIM R580CY023

  • Collettore componibile semplice
  • Materiale : Ottone
  • Numero di Stacchi : 3
  • Attacchi per adattatori tubo rame, plastica o multistrato da 16
  • Filettatura Ingresso 3/4" Maschio
  • Filettatura Uscita : 3/4" Femmina
  • Interasse Stacchi : 35mm
  • Campo di temperatura 5÷110 °C .
  • Pressione massima di esercizio 10 bar

Scarica la scheda tecnica 

Scarica il foglio di istruzioni

66 pz. disponibili
9,14 €
Un'occhiata

Collettore componibile da 3/4" quattro stacchi uscita base 16 Giacomini R580CY024

GIM R580CY024

  • Collettore componibile semplice
  • Materiale : Ottone
  • Numero di Stacchi : 4
  • Attacchi per adattatori tubo rame, plastica o multistrato da 16
  • Filettatura Ingresso 3/4" Maschio
  • Filettatura Uscita : 3/4" Femmina
  • Interasse Stacchi : 35mm
  • Campo di temperatura 5÷110 °C .
  • Pressione massima di esercizio 10 bar

Scarica la scheda tecnica 

Scarica il foglio di istruzioni

41 pz. disponibili
10,99 €
Un'occhiata

Collettore componibile da 1" tre stacchi uscita base 16 Giacomini R580CY043

GIM R580CY043

  • Collettore componibile semplice
  • Materiale : Ottone
  • Numero di Stacchi : 3
  • Attacchi per adattatori tubo rame, plastica o multistrato da 16
  • Filettatura Ingresso 1" Maschio
  • Filettatura Uscita : 1" Femmina
  • Interasse Stacchi : 35mm
  • Campo di temperatura 5÷110 °C .
  • Pressione massima di esercizio 10 bar

Scarica la scheda tecnica 

Scarica il foglio di istruzioni

94 pz. disponibili
11,74 €
Un'occhiata

Collettore componibile da 1" quattro stacchi uscita base 16 Giacomini R580CY044

GIM R580CY044

  • Collettore componibile semplice
  • Materiale : Ottone
  • Numero di Stacchi : 4
  • Attacchi per adattatori tubo rame, plastica o multistrato da 16
  • Filettatura Ingresso 1" Maschio
  • Filettatura Uscita : 1" Femmina
  • Interasse Stacchi : 35mm
  • Campo di temperatura 5÷110 °C .
  • Pressione massima di esercizio 10 bar

Scarica la scheda tecnica 

Scarica il foglio di istruzioni

90 pz. disponibili
14,77 €
Un'occhiata

Collettore componibile 3 Stacchi 1/2" con adattatore da 16 3/4" Giacomini R580CY063

GIM R580CY063

  • Collettore componibile semplice
  • Materiale : Ottone
  • Numero di Stacchi : 3
  • Filettatura stacchi : 1/2"
  • Adattatore per tubo da 16 sugli stacchi
  • Filettatura Ingresso 3/4" Maschio
  • Filettatura Uscita : 3/4" Femmina
  • Interasse Stacchi : 35mm
  • Campo di temperatura 5÷110 °C .
  • Pressione massima di esercizio 10 bar

Scarica la scheda tecnica 

Scarica il foglio di istruzioni

178 pz. disponibili
7,18 €
Un'occhiata

Collettore componibile 3/4" con quattro stacchi da 16 Giacomini R585CY024

GIM R585CY024

  • Collettore componibile semplice per impianti sanitari
  • Quattro Stacchi 
  • Filettatura di ingresso e uscita : 3/4"
  • Completo di  rubinetti di intercettazione
  • Materiale : Ottone.
  • Attacchi per adattatori tubo rame, plastica o multistrato da 16
  • Campo di temperatura 5÷100 °C.
  • Pressione massima di esercizio 10 bar.
  • Interasse stacchi : 35mm

Scarica la scheda tecnica 

107 pz. disponibili
30,02 €
Un'occhiata

Collettore componibile per impianti sanitari 3/4" x 1/2" 3 stacchi Giacomini R585CY063

GIM R585CY063

  • Collettore componibile semplice per impianti sanitari
  • Due Stacchi 
  • Filettatura di ingresso e uscita : 3/4"
  • Filettatura stacchi : 1/2"
  • Completo di  rubinetti di intercettazione
  • Materiale : Ottone.
  • Attacchi per adattatori tubo rame, plastica o multistrato da 16
  • Campo di temperatura 5÷100 °C.
  • Pressione massima di esercizio 10 bar.
  • Interasse stacchi : 35mm

Scarica la scheda tecnica 

178 pz. disponibili
15,73 €
Un'occhiata

Coppia di collettori terminali con rubinetti 1" x 16 Giacomini R585TY105

GIM R585TY105

  • Coppia di Collettori modulari ad aggancio rapido
  • Per impianti sanitari
  • Con rubinetto di intercettazione
  • Filettatura : 1"
  • Materiale : Ottone.
  • Attacchi per adattatore tubo rame, plastica o multistrato da 16
  • Interasse attacchi moduli assemblati 35 mm.
  • Campo di temperatura 5÷90 °C.
  • Pressione massima di esercizio 10 bar.
12 pz. disponibili
15,67 €
Un'occhiata

Collettore complanare 3/4" 16 stacchi da 16 Giacomini R587X008

GIM R587X008

  • Collettore complanare
  • Materiale : Ottone nichelato
  • Numero di stacchi : 16 (8+8)
  • Diametro stacchi per adattatore tubo rame, plastica o multistrato : 16
  • Diametro filettatura ingresso e uscita : 3/4"
  • Interasse attacchi 38 mm.
  • Campo di temperatura 5÷110 °C .
  • Pressione massima di esercizio 16 bar.
1 pz. disponibili
84,56 €
Un'occhiata

Cassetta in plastica per collettori 670x300x90 mm Giacomini R595CY001

GIM R595CY001

  • Cassetta in plastica con coperchio Per collettori:
  • In barra da 3/4" o 1" (interasse 35 mm)
  • Modulari DN25
  • Componibili R580CY062, R580CY063, R580CY064, R585CY062, R585CY063, R585CY064
  • Complanari R587
  • Fissaggio del coperchio con viti.
  • Supporti per collettori da acquistare separatamente

17 pz. disponibili
25,51 €
Un'occhiata