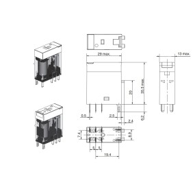
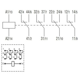
Relè industriale terminali Faston bobina 12V AC 2 contatti 10A Finder 601280120040
FIN 601280120040
- Relè industriale
- Terminali faston
- Bobina 12V AC
- 2 contatti
- Portata : 10A
- Pulsante di prova + LED
- Indicatore meccanico
Gratis i primi 10KG di spedizione per ordini a partire da 500,00€
Modulo Relè di sicurezza Omron
Serie: G9SE
Tensione di alimentazione: 24 Vcc
Numero di canali: 2
Contatti di sicurezza: 4
Utile per arresti di emergenza
Contatti ausiliari: 1
Metodo di reset: Automatico e Manuale
Pagamenti sicuri al 100%
Spedizioni rapide e veloci
Reso facile entro 14 giorni
Specifiche tecniche
Relè a stato solido Gavazzi
Installazione su guida DIN
Corrente nominale: 25 A
Tensione di esercizio: 42 - 600 V
Numero dei poli: 1
Protezione da sovratensione integrata
Corrente minima di carico: 400 mA
Uscita: Varistore
Serie: RGC
Alimentatore di backup Lovato
Idoneo per protezioni di interfaccia
Tensione di ingresso/uscita: 230 Vac
Energia accumulabile: 645 Ws
Potenza: 650VA
Tipologia: Monofase
Protezione: Fusibili 5a (5x20)
Tipologia attacchi: fissi
Grado di protezione: IP20
Dimensione (LxHxP): 157.5x90x70 mm
Maggiori specifiche in scheda tecnica
Relè di scambio Weidmuller TRZ 24VDC 1CO
Serie Termseries
Temperature d'esercizio minima/massima: -40/+60 gradi c
Tensione nominale: 24 V DC
Corrente di eccitazione/diseccitazione bobina: 7.5mA/1mA DC
Corrente permanente: 6A
Classe di sovratensione: III
Circuito protezione: Diodo contro inversione di polarità
LED verde di indicazione stato
Installazione: Guida TS35
Tipo collegamento cavi: Molla autobloccante
Numero contatti: 1
Sezione cavi minima/massima: 0.14-2.5mm2
Grado di protezione: IP20
Colore: Nero
Dimensioni: 87.8x90.5x6.4mm
Maggiori specifiche in Scheda Tecnica
072.11 SONDA DA PAVIMENTO, ANTIALLAGAMENTO
Ideale per il controllo di presenza acqua a pavimento
- Lunghezza di spelatura del cavo 9 mm
- Distanza tra pavimento ed elettrodi 1 mm
- Diametro della vite per il fissaggio a pavimento Max M5
- Diametro massimo del cavo 10 mm
- Massima lunghezza del cavo tra sonda e relè 200 m (100nF/Km)
- Temperatura massima del liquido +100°C
Relé Voltmetrico Lovato
Adatto per sistema trifase con e senza neutro
Controllo minima e massima tensione AC ed asimmetria
Controlla la mancanza di fase
Controllo la mancanza neutro ed errata sequenza fasi
Tensione nominale da contrallare: 380 - 440 Vac
Tensione di isolamento nominale: 600 V
Potere d'interruzione: 6 kV
Tensione ausiliaria: autoalimentato
Potenza massima assorbita: 27 VA
Potenza massima dissipata: 1.9 W
Tempo di intervento: 0.1 - 20 s
Tempo di rispistino: 0.5 s
Tempo di intervento per la mancaza della fase: 60 ms
Dispone di 1 LED verde per segnalare accensione e intervento
Dispone di 3 LED rossi per intervento
Maggiori specifiche in scheda tecnica
Mini relè industriale terminali a innesto bobina 12V AC 2 contatti 8A Finder 46528012